Skip to content
Published On:
Dec 1, 2015
Last Updated:
Dec 1, 2015

Striplines are impedance controlled transmission lines that are embedded on a middle layer (not the top or bottom) of a PCB, and have a copper pour both above and below them. This is opposed to microstrips, which are on either the top or bottom layers of a PCB, and have free space above and a copper pour below them.

Edge-Coupled Striplines

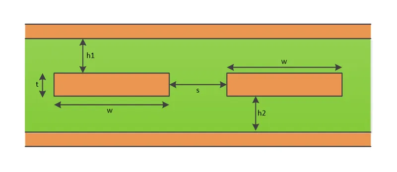
Edge-coupled striplines are differential transmission striplines where both tracks lay on the same plane, i.e. are both on the same internal PCB copper layer. This is as opposed to a broad-side coupled stripline in where the tracks are ontop of each other.

A cross-sectional diagram of a edge-coupled stripline, showing the common names for the dimensions.

Because they only involve three layers (broad-side coupled involves 4 copper layers), edge-coupled striplines are easier to route in low-layer boards (4-8), while still adhering to good EMI practices and maintaining high copper utilisation.

Calculations

The calculations to find the differential impedance for edge-coupled striplines are not simple. They involve elliptic integrals of the first kind, which are not supported natively by basic calculators nor Excel.