Skip to content

Electric Skateboard PCB Routing On The Way To Being Finished

Published On:
Jan 7, 2012
Last Updated:
Jan 7, 2012

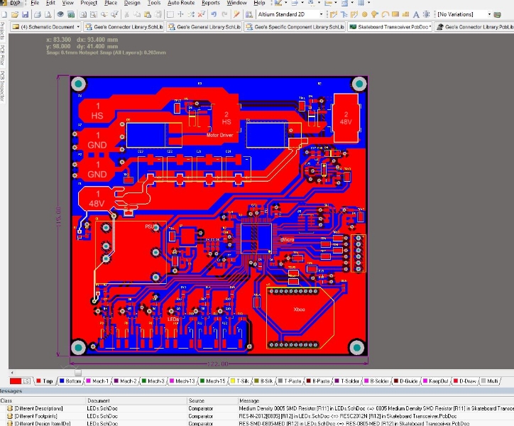
After going nuts on the Electric Skateboard project in the last week, I have nearly finished the PCB routing for the skateboard PCB, the first of two boards (the other is the remote PCB).

Screenshot of the nearly finished skateboard PCB routing (1 of 2 boards…).