Skip to content

EEP Component Package

Published On:
Apr 4, 2015
Last Updated:
Apr 27, 2024

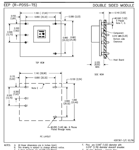
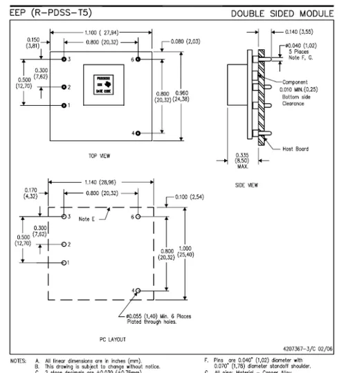
EEP is a component package used by Texas Instruments for some of their higher power DC/DC converters. Has a varying number of pins depending on functionality (but this does not change the footprint). The pitch is multiples of 2.54mm (100mill).

Synonyms

  • R-PDSS-T5
  • R-PDSS-T6

Photos

Photo of a DC/DC converter by Texas Instruments in an EEP package.

Dimensions

Dimensions of the EEP package.