April 2015 Updates
- Tidied up the Mercurial ignore file section of the website.
-
Moved the SMA (DO-214AC), D2PAK (TO-263), DO-35, DO-41, E-Line, EEP, HC-49/US, LGA, Mini-DIP SPM, QIP, SIP, SMD35, SOD-110, SOD-123F, SOD-128, SOD-323 (SC-76), SOD-723, SOJ, SOP-4, SOT-1193, SOT-1226, SOT-223, SOT-23, SOT-323, SOT-363, SOT-523F, SOT-563, SOT-762-1, SOT-886, SOT-902, SPM23, TO-220AB component packages onto their own pages.
-
Added a section on Saturation to the Inductors page.
-
Watermarking added to all images on the site, thanks to the Add Watermarks plugin.
-
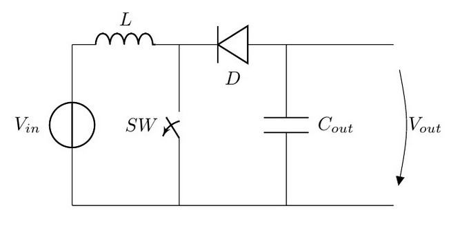
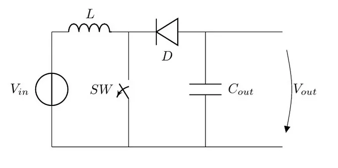
Moved the Boost Converter, Buck Converter, Buck-Boost Converter, SEPIC and Charge Pump pages to be child pages of a new SMPS sub-section (as of Dec 2017, URL unavailable). Also added basic diagrams for buck and boost converters.
-
New page on the SDQ interface.
-
New page on Inverting Buck-Boost Converters.
-
New page on the IO-Link protocol.
-
New page on Futures And Promises.
-
Added the SOT-723 Component Package page.
-
New page on Designators added under PCB Design.
-
Added a new page, Reading And Writing To Files under the Altium Scripting page.
-
Updates to the DPAK Component Package page.
-
New page, Layer Stackup under PCB Design.