Skip to content

SOD-123 Component Package

Published On:
Jun 19, 2015
Last Updated:
Mar 5, 2025
A 3D render of the SOD-123 component package. Image from www.digikey.com.

The SOD-123 (Small-outline diode 123) component package is a family of medium sized, 2-lead SMD packages, commonly used for packaging diodes.

Variants

SOD-123 has the following variants:

  • SOD-123: De-facto. Gull-wing style leads.
  • SOD-123EP: Pads extended further under package for better thermal performance.
  • SOD-123F: Pads.
  • SOD-123FL
  • SOD-123W

SOD-123

A 3D render of the SOD-123 component package. Image from www.digikey.com.

The de-facto SOD-123 leads are gull-wing style (coming out the side of the package), whilst the SOD-123F variant has pads (on the underside of the package). It is the largest SOD package from the family including SOD-323, SOD-523, SOD-723 and SOD-923.

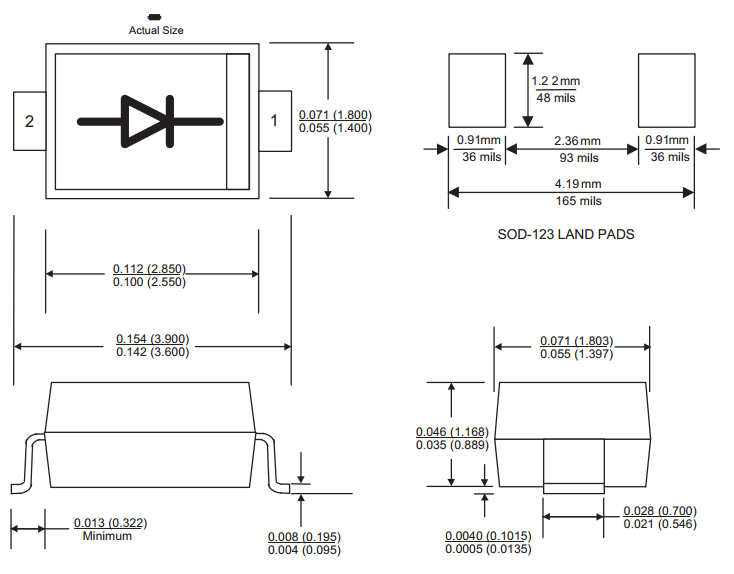
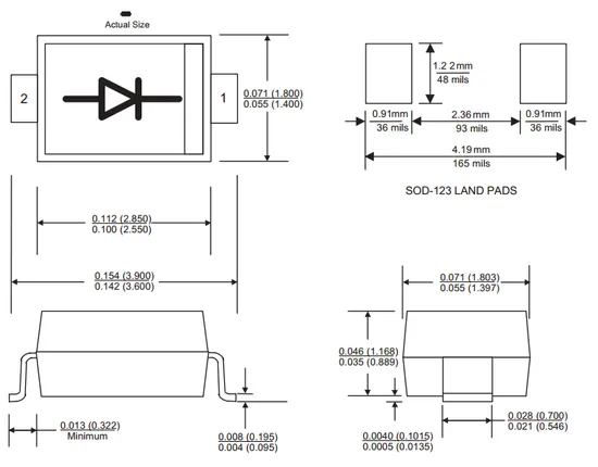
Dimensions and a recommended footprint (land pattern) for the SOD-123 component package.

Note that the pins in the above diagram are labelled with the diode anode being pin 2, and the cathode being pin 1. This is not what I would consider to be intuitive numbering!

SOD-123F

3D model of the top of the SOD-123F component package.

The SOD-123F component package has narrow, flat leads protruding from the base of the SMD package.

Synonyms

  • DO-219AA: Although I can’t find any robust source linking the DO-219AA to the SOD-123F, the Diodes Inc. dimensions for the DO-219AA here are so similar to the SOD-123F here that I think they are the same?
  • PDMU: Rohm’s name1.
  • M1F: Fagor Electronica.
  • Mini2-F4-B: Panasonic’s name2.
  • SC-109D: JEITA name, according to Panasonic2.

Dimensions

The SOD-123F is 3.5mm long (from lead end to lead end), 1.6mm wide and 1.1mm high (typical or average values).

Dimensions of the SOD-123F component package from Diodes Incorporated3.

Below is the recommended land pattern for the SOD-123F component package from Diodes Incorporated3:

Recommended land pattern for the SOD-123F component package.

The land area that the recommended footprint above takes up on the PCB is 4.4mm×2.1mm=9.2mm24.4mm \times 2.1mm = 9.2mm^2. The pitch is 2.8mm2.8mm based of the centers of each landing pad.

SOD-123EP

The SOD-123EP is a variant of the SOD-123 package with one of the pads being extended further underneath the package for improved power dissipation. This package is typically used for diodes, with the cathode connected to the larger pad4. Known as CASE 425AC by On Semi4.

3D model of the SOD-123EP component package. You can clearly see the larger pad on the underside, which in this case is connected to the cathode of the OnSemi SS12FP diode4.

Synonyms

  • CASE 425AC: OnSemi4.

Dimensions

Mechanical dimensions of the SOD-123EP component package4.

SOD-123W

Synonyms

  • CFP3 (Nexperia)5
  • SOD-123W-2 (Mouser)6

Dimensions

Dimensions of the SOD-123W package are:5

  • Length: 3.5mm
  • Width: 1.7mm
  • Height: 1.0mm

The above dimensions are nominal and include the leads (i.e. outer dimensions). This package the same nominal outer dimensions as the SOD-123F and SOD-123EP variants.

Package outline for the SOD-123W component package. This outline is taken from the Nexperia PMEG60T20ELR Schottky barrier diode datasheet5.

Similar To

The SOD-123 family of packages is similar to:

Footnotes

  1. Rohm Semiconductor (2015). Schottky barrier diode - RB160M-90 [datasheet]. Retrieved 2024-04-17, from https://fscdn.rohm.com/en/products/databook/datasheet-nrnd/discrete/diode/schottky_barrier/rb160m-90.pdf.

  2. Panasonic (2013, Apr 24). Schottky Barrier Diode - DB2X20700L [datasheet]. Retrieved 2024-04-17, from https://www.datasheet.es/PDF/737041/DB2X20700L-pdf.html. 2

  3. Diodes Incorporated (2019, Oct 9). SOT123F - PACKAGE INFORMATION. Retrieved 2024-04-17, from https://www.diodes.com/assets/Package-Files/SOD123F.pdf. 2

  4. ON Semiconductor (now On Semi) (2021, May). Surface Mount Schottky Barrier Rectifiers 1 A, 20 V - 150 V: SS12FP - S115FP [datasheet]. Retrieved 2022-01-36, from https://www.mouser.com/datasheet/2/308/1/S110FP_D-2320074.pdf. 2 3 4 5

  5. Nexperia (2018, Mar 6). PMEG60T20ELR: 60 V, 2 A low leakage current Trench MEGA Schottky barrier rectifier [datasheet]. Retrieved 2022-01-26, from https://www.mouser.com/datasheet/2/916/PMEG60T20ELR-1599911.pdf. 2 3

  6. Mouser. SOD-123W-2 Schottky Diodes & Rectifiers [search]. Retrieved 2022-01-26, from https://www.mouser.com/c/semiconductors/discrete-semiconductors/diodes-rectifiers/schottky-diodes-rectifiers/?package%20%2F%20case=SOD-123W-2.