Skip to content

Power Line Protocols

Published On:
Dec 4, 2012
Last Updated:
Dec 4, 2012

Also called Power Line Carrier Communication (PLCC). A “power line” can be any cable that distributes power, including mains (120-240VAC), the +12V from the battery in a car, or the DC power supply rails on embedded circuitry.

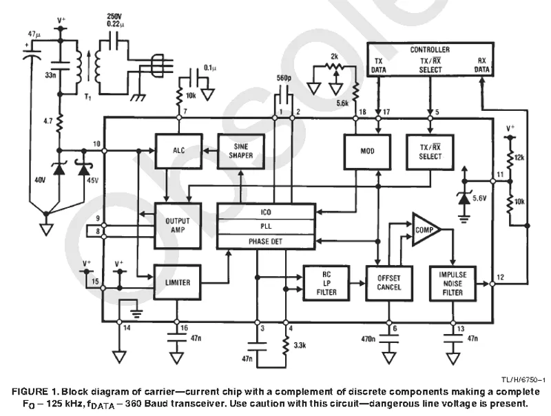
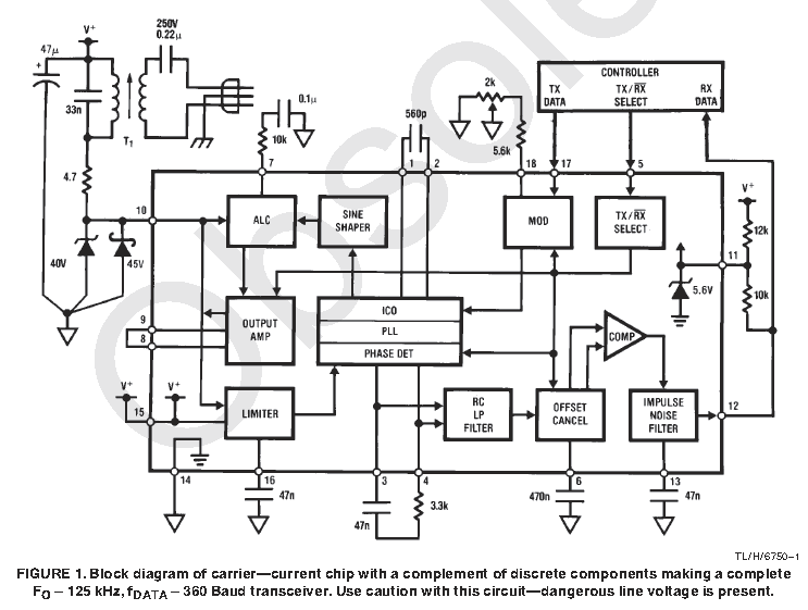
An example circuit for the LM1893 from Texas Instruments.

Example circuit from Texas Instruments for the LM1893. Image from http://www.ti.com/lit/ds/snas544a/snas544a.pdf.