Skip to content

SOT-1040-1 Component Package

Published On:
Apr 6, 2015
Last Updated:
Dec 13, 2024

SOT-1040-1 (Small Outline Transistor 1040-1) is a component package exclusively used by NXP for some of their RFID inlays. I’m not sure why they labelled it as a “SOT” package, as it is very different from everything else in this range.

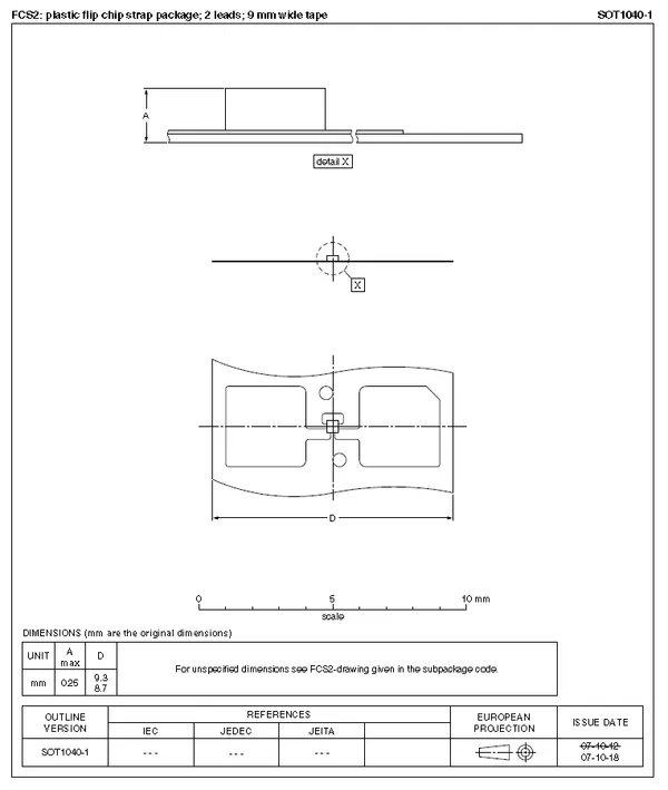
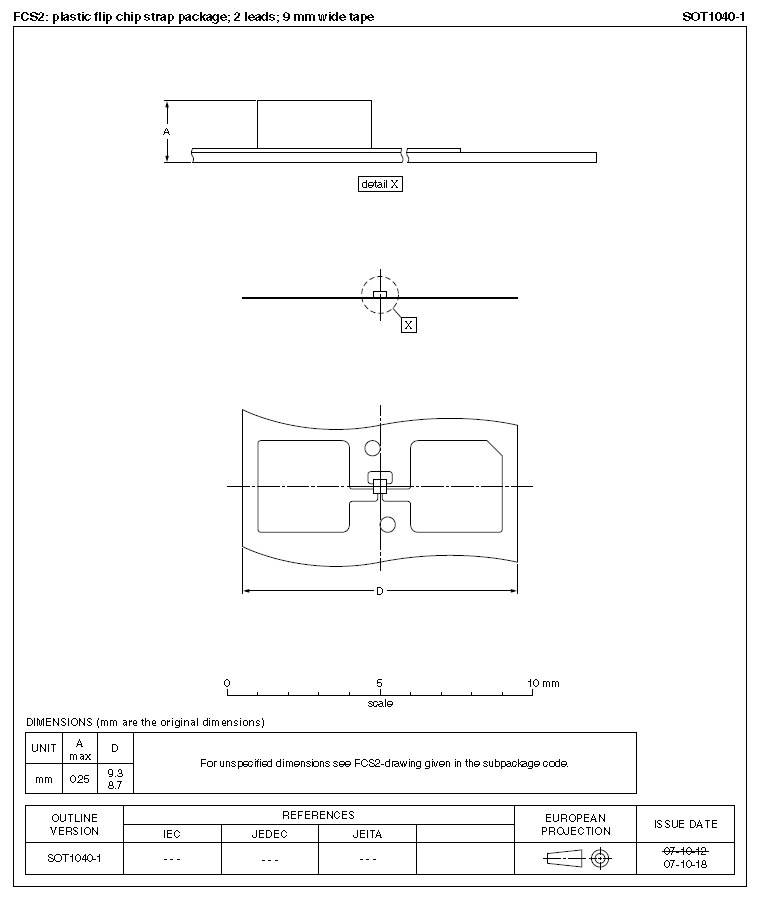
It is also called the “Plastic Flip Chip Strap Package”.

3D Renders

A 3D render of the SOT-1040-1 component package.
The 3D model of the SOT-1040-1 component package. Image from http://www.nxp.com/documents/outline_3d/sot1040-1_3d.gif.

Dimensions

The dimensions of the SOT-1040-1 component package. Image from http://www.nxp.com/packages/SOT1040-1.html.