Skip to content

SOT-89 Component Package

Published On:
Nov 11, 2015
Last Updated:
Dec 13, 2024

SOT-89 is a small, SMD family of component packages. There are two variants within the family, the SOT-89-3 (with three leads, one of which is more like a tab), and the SOT-89-5 (with 5 leads, again — one of which is more like a tab).

All packages in this family have a number of rectangular leads and a central single tab-shaped lead. The tab-shaped lead improves the thermal performance of the package (decreases it’s thermal resistance).

SOT-89-3

SOT-89-3 (Small Outline Transistor 89)

Synonyms:

  • 2-5K1A (Toshiba)1
  • SC-62 (JEITA)12
  • TO-243 (JEDEC)2

Similar To:

  • SOT-89-6

Mounting: SMD

Pin Count: 3 (incl. tab-like lead)

Pitch: 1.50mm (between lead centers on the same side)2

Solderability: The package is relatively easy to solder by hand. There are no issues with hand soldering the tab since the tab produces on one side of the package.

Package Dimensions:

  • Length: 4.5mm (nom)2
  • Width: 2.5mm (nom)2
  • Height: 1.5mm (nom)2

Common Uses:

  • BJTs1

Dimensions

Dimensions of the SOT-89-3 component package3.

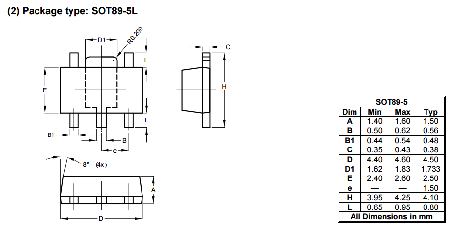
SOT-89-5

The SOT-89-5 package is commonly used as a SMD replacement for the SIP-4 TH package. It call also be called the SOT-89-6, since it appears to have 6 leads when look down on the package.

A 3D render of the SOT-89 (SC-62, TO-243) component package. Image from http://www.digikey.com/.

Dimensions

The dimensions for the SOT-89-5 (SC-62, TO-243) component package.

Thermal Resistance

www.diodes.com states their SOT-89-5 component package to have:

θJA=168C/W\begin{align} \theta_{JA} = 168^{\circ}C/W \end{align} \begin{align} \theta_{JC} = 36^{\circ}C/W $$</div> \end{align}

Footnotes

  1. Toshiba (2013, Nov 01). 2SC2873: TOSHIBA Transistor Silicon NPN Epitaxial Type (PCT Process) (datasheet). Retrieved 2022-04-04, from https://www.mouser.com/datasheet/2/408/2SC2873_datasheet_en_20131101-1649836.pdf. 2 3

  2. NXP (2016, Feb 8). SOT89: plastic surface-mounted package; die pad for good heat transfer; 3 leads (package information). Retrieved 2022-04-04 from https://www.nxp.com/docs/en/package-information/SOT89.pdf. 2 3 4 5 6

  3. Retrieved 2022-04-03, from https://www.diodes.com/assets/Package-Files/SOT89.pdf.