Skip to content

TO-220 Component Package

Published On:
Apr 6, 2015
Last Updated:
Apr 21, 2024

TO-220 (Transistor Outline 220) is a family of through-hole component packages which are commonly used for power transistors, voltage regulators, and other power electronics components.

Variants include:

TO-220-2 (TO-220AC)

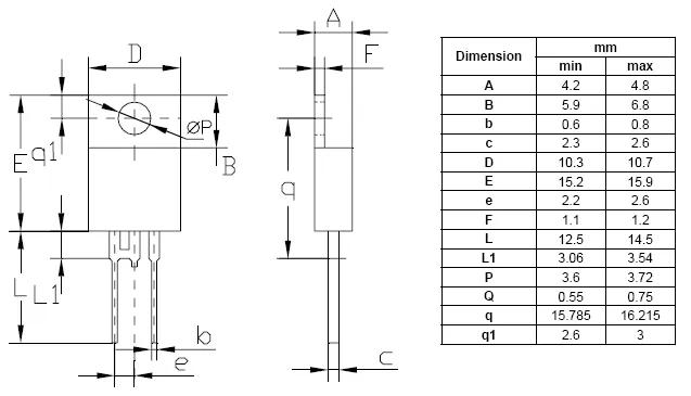
TO-220-2 (also known as TO-220AC) is a variant on the TO-220 package with only two leads and the pad (which still means it could have three distinct connections). Use for some high power diodes.

A photo of the TO-220AC component package.

Dimensions

The dimensions of the TO-220AC component package.

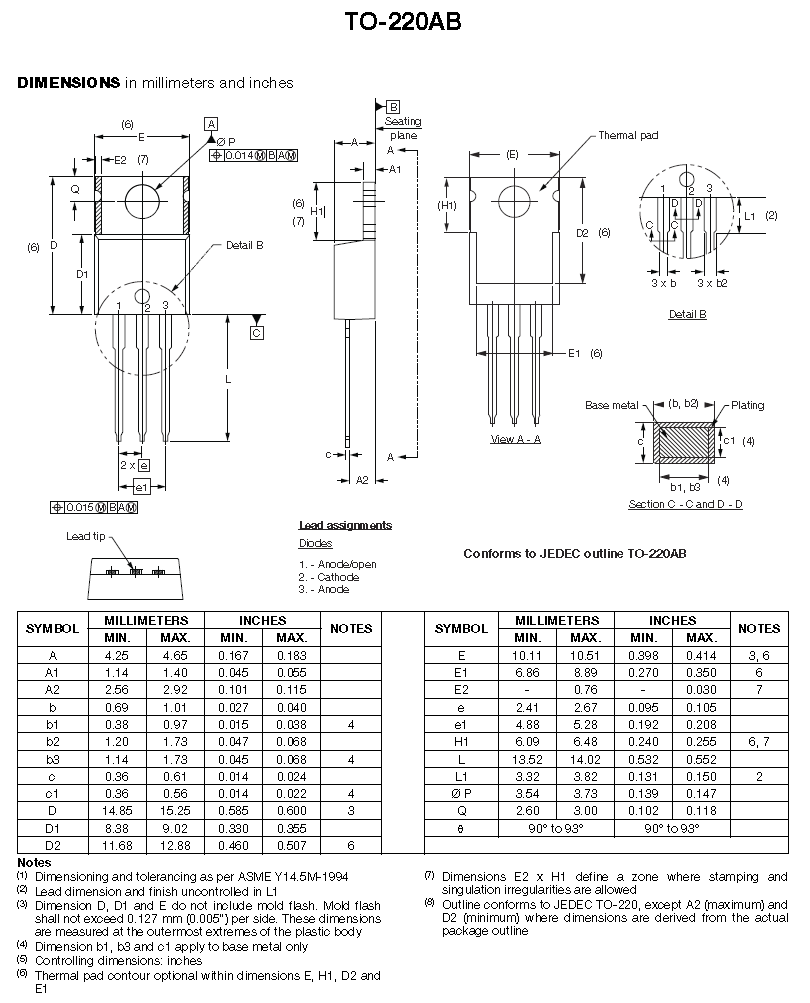
TO-220-3 (TO-220AB)

A 3D render of the TO-220AB component package.

TO-220-3 (also known as TO-220AB) is the most common variant on the TO-220 package. It has three leads and the tab (but only has three distinct connections, the tab is electrically connected to one of the pins). Commonly used in power electronics for components which require high heat-dissipation. Can dissipate about 1W of power without a heatsink.

The tab is commonly connected electrically to one of the legs, and sometimes isolated heatsinks or isolating thermal pads (between the tab on the TO-220AB and the heatsink) are required.

Dimensions

The dimensions of the TO-220AB component package.

18.8mm high when mounted vertically, with pins pushed into PCB until they hit the taper.

Photos

A photo of the TO-220AB component package.
A photo of the TO-220AB component package, mounted on a heatsink.

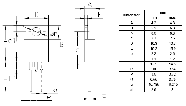
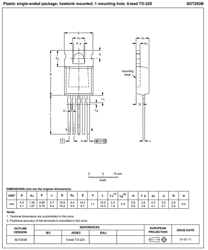
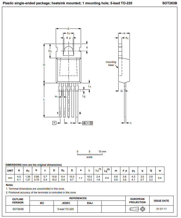
TO-220-5 (SOT-263B)

The TO-220-5 (also known as SOT-263B1) is a 5 leg variant of the TO-220 package.

3D model of the TO-220-5 (SOT-263B) component package. Image from https://assets.nexperia.com/documents/outline-drawing/SOT263B.pdf.
Dimensions of the TO-220-5 (SOT-263B) component package. Image from https://assets.nexperia.com/documents/outline-drawing/SOT263B.pdf.

TO-220-7

The TO-220-7 is a name used for a 7-pin variant of the TO-220 family. It comes with formed leads (every second lead is bent).

Synonyms:

  • T7 (Analog Devices)2
  • NDZ (Texas Instruments)3
Dimensions of the TO-220-7 (T7) package from Analog Devices2.

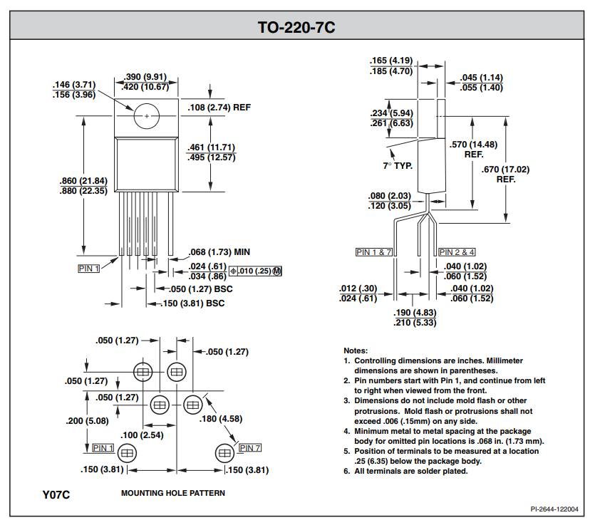
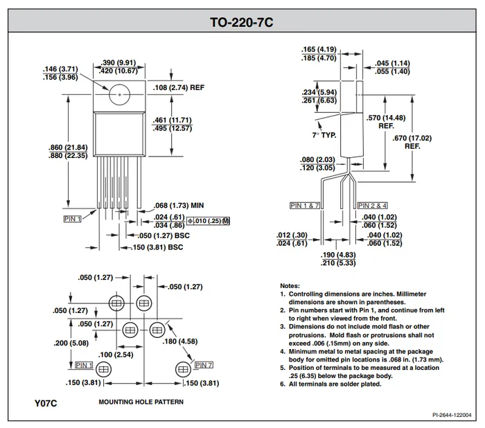
TO-220-7C

The TO-220-7C is a variant of the TO-220 family that is used by Power Integrations4. Interestingly, it is missing the 6th lead and the leads are formed (bent) into 3 rows rather than just 2 as with the TO-220-7.

Dimensions of the TO-220-7C package from Power Integrations4.

TO-220AA

This is a JEDEC package which has been made obsolete. It was a variant of the TO-220 package with two legs which were bent at right angles.

TO-220F (TO-220FP, SOT-186A)

A 3D render of the TO-220F component package.

The TO-220F (also known as TO-220FP or SOT-186A) is a variant of the TO-220 package which has an insulated metal tab, which is not electrically connected to any of its pins. Some thermal performance is sacrificed because of this insulating layer. The F or FP is an initialism for full pack.

This insulating tab is added to remove one of the disadvantages of the TO-220-3 (TO-220AB) package — the metal tab, which although great for heatsinking reasons, is electrically connected to the middle pin of the component. This usually requires either an insulated heatsink or an insulated thermal pad between the tab and heatsink to prevent unwanted connections (such as a short-circuit to ground).

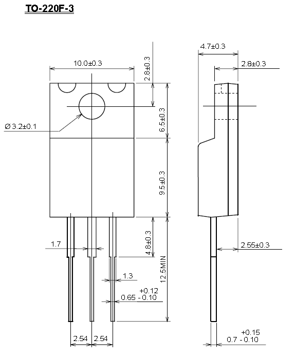
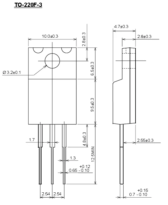
TO-220F generally refers to the 3-pin version, although sometimes it may be called TO-220F-3, to distinguish it from TO-220FM (a 2-pin variant). This also might be the same as the TO-220NIS package (not verified).

Synonyms

  • SOT-186A5
  • TO-220F5
  • TO-220F-3

Dimensions

The dimensions of the TO-220F are shown below:

The dimensions for the TO-220F component package.

Photos

A photo of the TO-220F component package.

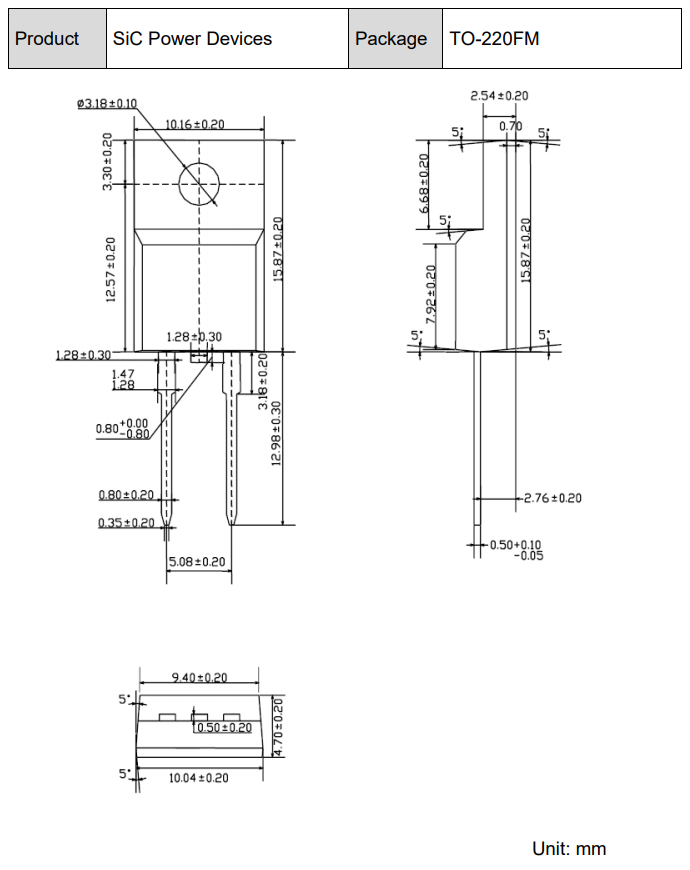
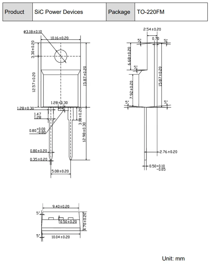
TO-220FM

The TO-220FM is a variant of the TO-220 package which is identical to the TO-220F except it has two legs instead of three. The middle leg is cut short, so it only just protrudes from the epoxy case (and it is not meant to be used).

Similar To

  • TO-273AA (Super TO-220): The TO-273AA is like the TO-220, but with a clip-mounted design rather than screw-mounted. Sometimes called the “Super TO-220”.

Footnotes

  1. Retrieved 2019-04-30, from https://www.nexperia.com/packages/SOT263B.html.

  2. Analog Devices. T7 Package - 7-Lead Plastic TO-220 (Standard) - (Reference LTC DWG # 05-08-1422). Retrieved 2023-06-06, from https://www.analog.com/media/en/package-pcb-resources/package/pkg_pdf/ltc-legacy-to-220/to-220_7_05-08-1422.pdf. 2

  3. Texas Instruments (2000, Apr). LM2673 SIMPLE SWITCHER® 3-A Step-Down Voltage Regulator With Adjustable Current Limit (datasheet). Retrieved 2023-06-06, from https://www.ti.com/lit/ds/symlink/lm2673.pdf.

  4. Power Integrations (2007, Sep). TOP254-258 - TOPSwitch-HX Family (datasheet). Retrieved 2023-06-06, from https://www.farnell.com/datasheets/5793.pdf. 2

  5. NXP (2016,Feb 8). SOT186A - plastic single-ended package; isolated heatsink mounted; 1 mounting hole; 3-lead TO-220 “full pack”. Retrieved 2024-04-21, from https://www.nxp.com/docs/en/package-information/SOT186A.pdf. 2