Skip to content

USON Component Package

Published On:
Mar 4, 2020
Last Updated:
Apr 23, 2024

USON (Ultra-thin Small Outline No-lead Package) is the JEDEC name for a family of SMD component packages that is very similar to DFN packages.

The [http://www.ti.com/packaging/docs/searchtipackages.tsp?packageName=SON](Texas Instruments Package Search - SON) page contains information on all of the USON packages that TI components use.

A screenshot of all the USON packages that TI component use. Image from http://www.ti.com/packaging/docs/searchtipackages.tsp?packageName=SON.

Synonyms

  • PG-USON: Infineon.

Dimensions

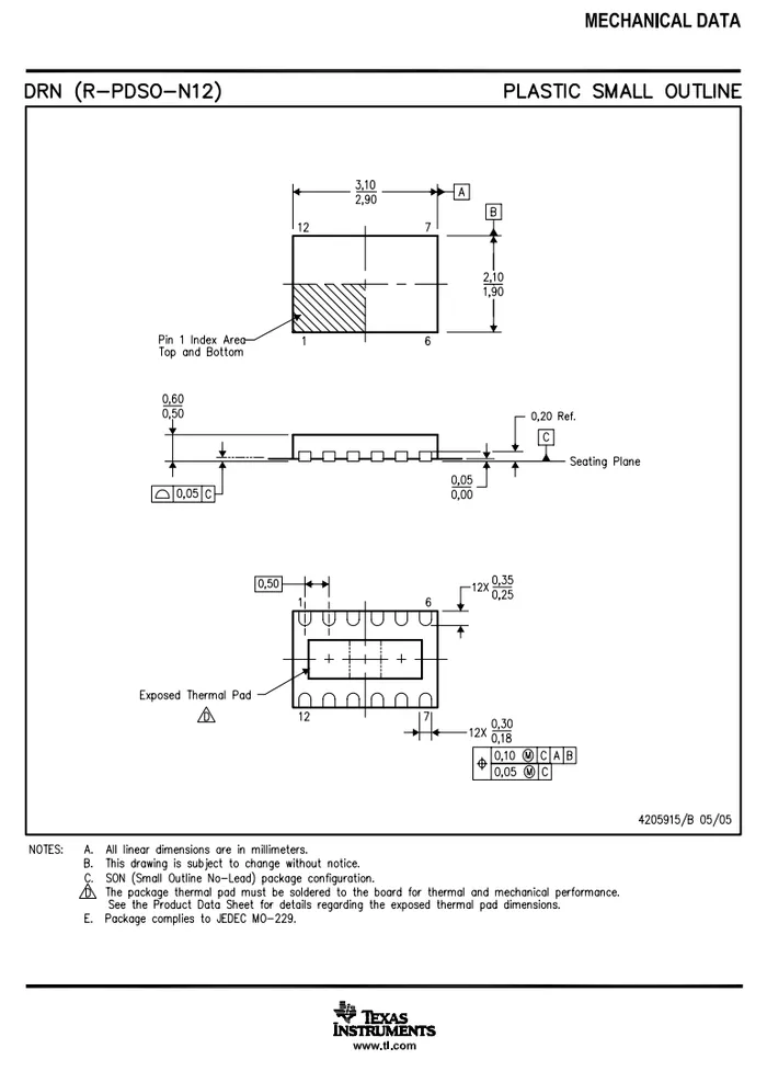
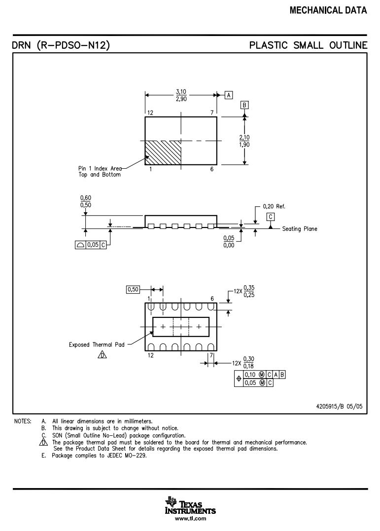
There are two many variants in the USON family to list all the dimensions here. Below is one example to give an idea on their size:

The dimensions for the Texas Instruments DRN package (a variant of the USON package). Image from http://www.ti.com/lit/ml/mpds165a/mpds165a.pdf.

Similar To

  • DFN: DFN is very similar USON in that the leads are normally on only two sides of the package.
  • WSON