Skip to content

SOT-723 Component Package

Published On:
Apr 27, 2015
Last Updated:
Dec 13, 2024
A 3D render of the SOT-723 component package.

SOT-723 (Small Transistor Outline 723) is a 3-lead SMD component package. SOT-723 is used for things such as MOSFETs, digital transistors (BRTs), small-signal switching diodes, low power rectifiers and ESD diodes.

Synonyms

  • VMT3: Rohm Semiconductor’s name1.
  • Case 631AA: onsemi’s name2.
  • SC-105AA: Rohm Semiconductor’s name1.
  • SOT-723
  • SOT-723-3

Dimensions

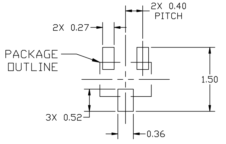
Here are the dimensions and a recommended footprint for the SOT-723 component package.

Dimensions and a recommended footprint for the SOT-723 component package. Image from http://www.onsemi.com/pub_link/Collateral/ESD7C3.3D-D.PDF.

The major dimensions from the above diagram are as follows:

Dimension NameDimension LetterValue
Body lengthDD1.20mm
Body widthEE0.80mm
Body width incl. leadsHeH_e1.20mm
Pitchee0.80mm
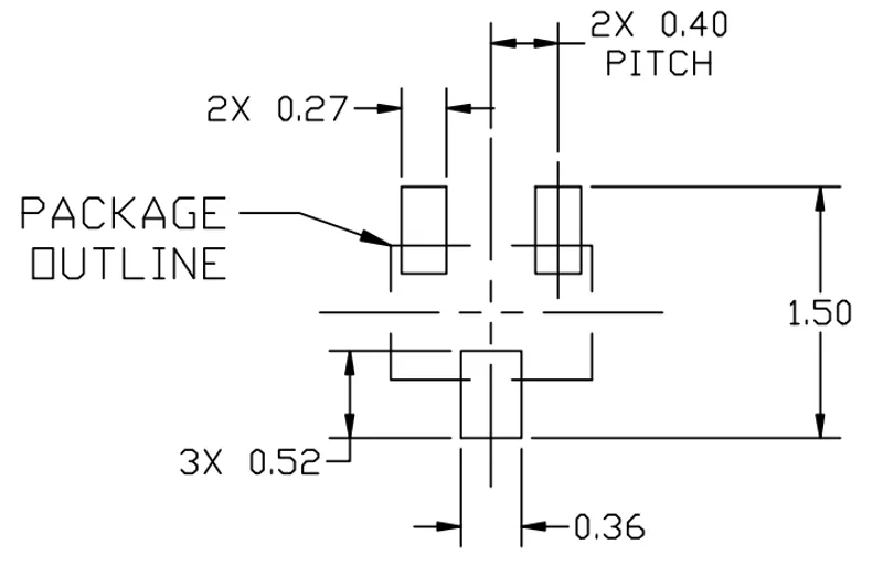
The recommended land pattern for the SOT-723 component package from onsemi2.

PCB Land Area (package only) = 1.44mm21.44mm^2
PCB Land Area (incl. recommended footprint) = 1.88mm21.88mm^2

Similar To

Footnotes

  1. Rohm Semiconductor (2016). RSM002N06 - Nch 60V 250mA Small Signal MOSFET [datasheet]. Retrieved 2024-04-19, from https://fscdn.rohm.com/en/products/databook/datasheet/discrete/transistor/mosfet/rsm002n06-e.pdf. 2

  2. onsemi. ESD Protection Diode - Micro−Packaged Diodes for ESD Protection - ESD7C, SZESD7C SERIES [datasheet]. Retrieved 2024-04-19, from https://www.onsemi.com/pdf/datasheet/esd7c3.3d-d.pdf. 2