Skip to content

December 2015 Updates

Published On:
Dec 31, 2015
Last Updated:
Dec 31, 2015
A photo showing a few of the connectors from the Molex PicoBlade families. Image from www.molex.com.
An example of a PCB card edge connector. This is a photo of the Cavro XL-3000 syringe pump.
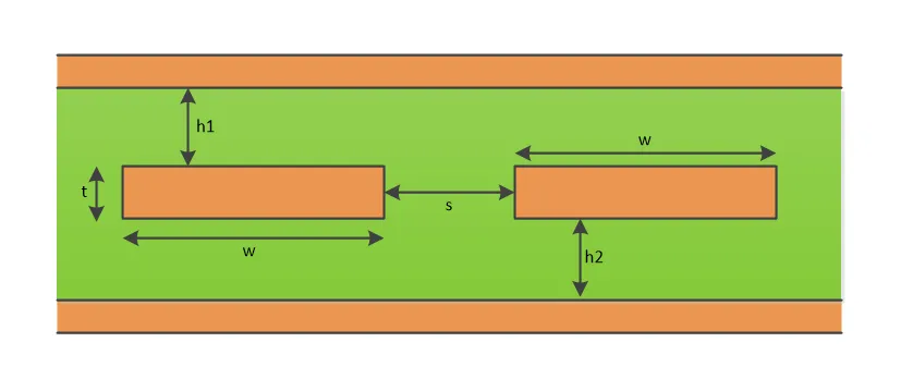
A cross-sectional diagram of a edge-coupled stripline, showing the common names for the dimensions.