Skip to content

Timers And Multivibrators

Published On:
Sep 7, 2020
Last Updated:
Aug 22, 2021

Multivibrators are 2-state electronic circuits used to make simple waveforms, oscillators and timers.

There are three main types of multivibrator:

  • Astable multivibrator: A circuit which is not stable (hence astable) in any state, in continuously switches from one state to the other.
  • Monostable multivibrator: One state is stable, while the other is not. A trigger input puts this circuit into the unstable state, and at some time after this, the circuit will automatically switch back to the stable state. This is also called a one shot.
  • Bistable multivibrator: The circuit is stable in both states. A trigger input is needed to switch from one state to the other. This circuit is much more commonly known as a flip-flop.

History

The first recorded multivibrator was the Abraham-Bloch multivibrator oscillator in 1919. It functioned as a astable multivibrator oscillator. The circuit was called a multivibrator because the square wave output contained a large proportion of harmonics1. Instead of being unwanted, these harmonics were actually useful in the calibration of RF devices.

Basic BJT Astable Multivibrator

A basic astable multivibrator can be made from two BJT NPN transistors and a handful of passive components, as shown below:

A basic (and somewhat of a classic) BJT astable multivibrator.

As a throw back to the past, Dick Smith’s Fun Way Into Electronics (first printed in 1979) contains a “flasher” which is exactly this circuit. This book is arguably what sparked my interest in Electronics!

’The flasher’ circuit here is a BJT astable multivibrator. Diode and 390R resistor are just for protection in-case the 9V battery gets hooked up the wrong way. Image from Dick Smith’s Fun Way Into Electronics, Eighth Printing, page 24.

How It Works

TODO: Add content here.

The 555 Timer IC

Due to it’s popularity, the 555 timer is sometimes referred to as the “IC Time Machine”2.

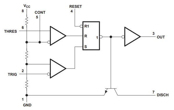
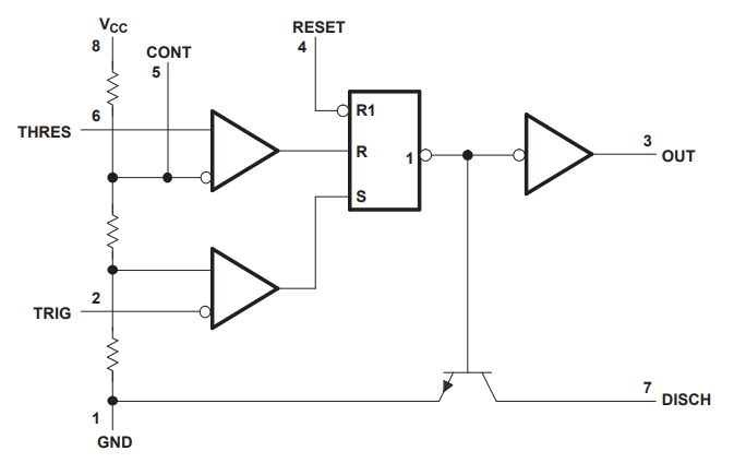
Internal Workings

A simplified internal schematic of a 555 timer IC. Image from https://www.ti.com/lit/ds/symlink/sa555.pdf?HQS=TI-null-null-digikeymode-df-pf-null-wwe.

Modes Of Operation

Monostable Mode (Time Delay Mode)

Monostable mode is when the 555 timer is configured to output a single pulse after a fixed amount of time. It only outputs one pulse and then stops until it is externally reset. This mode is used for creating a time delay. This is a placeholder for the reference: fig-555-timer-monostable-basic shows a basic monostable 555 circuit.

A circuit showing how to configure a 555 timer into monostable mode.

Astable Mode

Astable mode is when the 555 timer is configured to output a continuous waveform with a fixed frequency and duty cycle. It is similar to monostable mode, except that it continually resets itself after every pulse.

Astable mode is also called running the 555 timer as a multi-vibrator. The duty cycle of the output waveform cannot be reduced below 50%. If you want a duty cycle lower than that, you have to use an inverter on the output.

Schematic for putting the 555 timer into astable mode. Image from https://www.ti.com/lit/ds/symlink/sa555.pdf?HQS=TI-null-null-digikeymode-df-pf-null-wwe.

Equations:

tH=0.693(R1+R2)C\begin{align} t_H = 0.693 \cdot (R_1 + R_2) \cdot C \end{align} tL=0.693R2C\begin{align} t_L = 0.693 \cdot R_2 \cdot C \end{align} T=0.693(R1+2R2)C\begin{align} T = 0.693 \cdot (R_1 + 2R_2) \cdot C \end{align} f=1T\begin{align} f = \frac{1}{T} \end{align}

Footnotes

  1. : Abraham, H.; E. Bloch (1919). Mesure en valeur absolue des périodes des oscillations électriques de haute fréquence. DOI: https://doi.org/10.1051/anphys/191909120237.

  2. Maniktala, Sanjaya (2012). Voltage-Mode, Current-Mode (and Hysteretic Control). Microsemi. Retrieved 2021-08-22, from https://www.microsemi.com/document-portal/doc_view/124786-voltage-mode-current-mode-and-hysteretic-control