Skip to content

TO-252 (DPAK) Component Package

Published On:
Apr 7, 2015
Last Updated:
Apr 8, 2024
A 3D render of the TO-252-3 (DPACK) component package.

TO-252 (JEDEC Transistor Outline 252) is family of SMD component packages that is commonly used for things such as medium power MOSFETs and linear power regulators. There is a popular 3-lead variant also known as DPAK, along with 2 less commonly used 5-lead variants. In the “DPAK” range there is also the larger TO-263 (D2PAK) and TO-268 (D3PAK) offering higher power dissipation ratings.

All TO-252 packages have a pitch of 1.27mm (50mill). TO-252’s are quite easy to hand-solder, although the large tab can make things difficult because of it’s heatsinking capabilities.

Features a large tab/pin which can be soldered directly onto the PCB, providing good heatsinking capabilities.

Similar To

  • TO-220: The through-hole package that the TO-252-3 was designed to replace (obviously not pin compatible!).
  • TO-263 (D2PAK): The TO-263 (D2PAK) is the next step up in power dissipation from the TO-252-3 package.
  • TO-268 (D3PAK): The TO-268 (D3PAK) is the next step up in power dissipation from the TO-263 (D2PAK) package.

TO-252-3

The TO-252-3 is the 3-lead variant in the TO-252 family, most commonly known by the synonym DPACK. The image below shows a 3D render of this package.

A 3D render of the TO-252-3 (DPACK) component package.

Synonyms:

  • Case 369C: Used by On Semiconductor1.
  • CPD: Used by Rohm Semiconductor2.
  • DPAK: Popular alternative name.
  • DPAK3: A version of DPAK but with a 3 to distinguish it from the 5-lead version.
  • SC-63: The JEITA EIAJ standard name3.
  • SOT-428: Used by Nexperia3.
  • TO-252: Strictly this is a family of packages, but if no suffix is mentioned it’s typically referring to TO-252-33.
  • TO-252AA: JEDEC name.

3D Models:

Thermal resistance:

  • TJA=80C/WT_{JA} = 80^{\circ}{\rm C}/W (pads only, no copper fill)

TO-252-5-P1

The TO-252-5 is the 5-lead variant in the TO-252 family with a square a shorter tab than the TO-252-5-P2. It is not as common as the 3-lead variant. Most of the time the middle lead (3rd lead) is cut short in this variant, as it’s electrically connected to the tab.

3D Model

The image below shows a 3D model for this component package:

3D model of the TO-252-5-P1 package4.

You can download 3D models from:

Synonyms

  • KVU (R-PSFM-G5): Used by Texas Instruments as a drawing number5.
  • TO-252-5: Sometimes this package is just called TO-252-5.

Dimensions

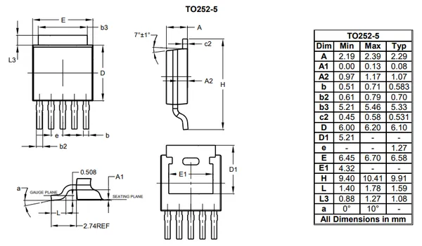
The image below shows the dimensions of the TO-252-5-P1 package from Diodes Inc.

Dimensions of the TO-252-5-P1 package from Diodes Inc6.

Recommended Land Pattern

The image below shows the recommended land pattern of the TO-252-5-P1 package from Diodes Inc.

The recommended land pattern for the TO-252-5-P1 package from Diodes Inc6.

Thermal Resistances

The thermal resistances for any TO-252-5 package are shown below.

  • TJA=59C/WT_{JA} = 59^{\circ}{\rm C}/W (pads only, no copper fill)
  • TJA=26C/WT_{JA} = 26^{\circ}{\rm C}/W (high-wattage land pattern)
  • TJA=20C/WT_{JA} = 20^{\circ}{\rm C}/W (one square inch of copper surrounding package, connected to ground)
  • TJA=7C/WT_{JA} = 7^{\circ}{\rm C}/W (high-wattage land pattern with thermal vias to bottom layer)

TO-252-5-P2

The TO-252-5-P2 is a 5-lead variant of the TO-252 package with a rounded and longer tab than the TO-252-5-P17. If there is no suffix listed on a TO-252-5 package (e.g. no mention of P1 or P2), it will likely be this variant. The image below shows a 3D render of this package.

A 3D render of the TO-252-5-P2 component package.7

Recommended Land Pattern

The image below shows a recommended land pattern from Ricoh for the TO-252-5-P2.

The recommended PCB land pattern for the TO-252-5 component package. Image from Ricoh TO-252 Package Information (http://www.ricoh.com/LSI/product_power/pkg/to-252-5-p2.pdf).

Footnotes

  1. onsemi (2020, Aug). Schottky Power Rectifier, Switch-Mode, 10 A, 45 V - MBRB1045G, MBRD1045G, SBRB1045G, SBRD81045T4G [Datasheet]. Retrieved 2023-07-19, from https://www.onsemi.com/pdf/datasheet/mbrb1045-d.pdf.

  2. Rohm Semiconductor (2011). RB085B-40FH - Schottky barrier diode [Datasheet]. Retrieved 2023-07-19, from https://fscdn.rohm.com/en/products/databook/datasheet-nrnd/discrete/diode/schottky_barrier/rb085b-40fh.pdf.

  3. Nexperia (2022, May 20). SOT428 - plastic, single-ended surface-mounted package (DPAK); 3 leads; 2.285 mm pitch; 6 mm x 6.6 mm x 2.3 mm body [Package Information]. Retrieved 2023-07-19, from https://assets.nexperia.com/documents/package-information/SOT428.pdf. 2 3

  4. Diodes Inc. TO-252-5 [Package Overview]. Retrieved 2023-07-19, from https://www.diodes.com/package/view/400.info.

  5. Texas Instruments (2021, Apr). TPS7B87-Q1 - 500-mA, 40-V, Low-Dropout Regulator With Power-Good [Datasheet]. Retrieved 2023-07-19, from https://www.ti.com/lit/ds/symlink/tps7b87-q1.pdf.

  6. Diodes Inc (2017, April 4). TO-252-5 [Package Information]. Retrieved 2023-17-19, from https://www.diodes.com/assets/Package-Image/TO252-5.pdf. 2

  7. Nisshinbo Micro Devices Inc. TO-252-5-P2 [Package Information]. Retrieved 2023-07-19, from https://www.nisshinbo-microdevices.co.jp/en/design-support/package/to-252-5-p2.html. 2