Skip to content

SOT-416 Component Package

Published On:
Apr 7, 2015
Last Updated:
Dec 13, 2024

SOT-416 is the JEDEC name for a family of 3-lead SMD component packages that comes in 2 variants. It is very similar to the SOT-490 package which is used by many manufacturers. The JEITA name SC-89 can refer to either the SOT-416 or SOT-490.

SOT-416

SOT-416 is the default variant with gull-wing leads, rather than the flat leads of the SOT-416FL. It is used by companies such as NXP and Rohm semiconductor.

A 3D render of the SOT-416 component package by Rohm Semiconductor1.

Synonyms

  • 2-2H1S: Toshiba package code2.
  • EMT3: Rohm package code3.
  • SC-75: JEITA, SC-75A is also used4.
  • SC-75A: JEITA, sometimes the A suffix is dropped so it’s just SC-754.
  • SOT-416-3: Name used by Mouser5.

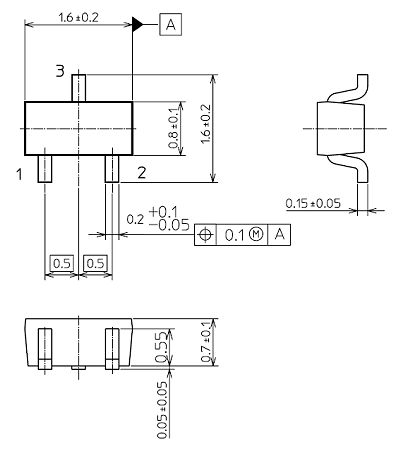
Dimensions

The image below shows the dimensions from Toshiba for the SOT-416 component package.

Dimensions from Toshiba for the SOT-416 component package2.

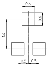
The image below shows the recommended land pattern from Toshiba for the SOT-416.

The recommended land pattern from Toshiba for the SOT-416 package2.

SOT-416FL

SOT-416FL is the flat-leads (not gull-wing) variant of the SOT-416. I could only find references to it by Rohm Semiconductor. The image below shows a 3D render from SnapEDA of the SOT-416FL.

A 3D render of the SOT-416FL from SnapEDA6.

Synonyms

  • EMD3F: ROhm’s package code7.
  • EMT3F: Another name from Rohm3. Not sure why there are two!
  • SC-89: JEITA name7, although this name is also used for the SOT-490.
  • SOT-416FL: JEDEC name7.

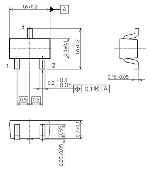
Dimensions

The image below shows the dimensions of the SOT-416FL component package.

Dimensions of the SOT-416FL package from Rohm Semiconductor7.

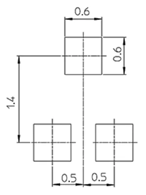
The image below shows the recommended land pattern from Rohm Semiconductor for their SOT-416FL package.

The recommended land pattern from Rohm for the SOT-416FL package7.

Used For

  • Low-power BJTs
  • Low-power MOSFETs

Similar To

  • SOT-490 (very similar, some companies use the names interchangeably)

Footnotes

  1. RS Components. ROHM DTD523YE3TL NPN Digital Transistor, 500 mA SOT-416 [Product Page]. Retrieved 2023-07-21, from https://nz.rs-online.com/web/p/bipolar-transistors/2619287.

  2. Toshiba. Product detail - SSM [Package Information]. Retrieved 2023-07-21, from https://toshiba.semicon-storage.com/ap-en/semiconductor/design-development/package/detail.SSM.html. 2 3

  3. Rohm Semiconductor (2017, Nov). DTC143Z - NPN 100mA 50V Digital Transistor [Datasheet]. Retrieved 2023-07-21, from https://docs.rs-online.com/a6bb/0900766b8161b9fe.pdf. 2

  4. NXP (2016, Feb 8). SOT416 - plastic surface-mounted package; 3 leads [Package Information]. Retrieved 2023-07-21, from https://www.nxp.com/docs/en/package-information/SOT416.pdf. 2

  5. Mouser. SOT-416-3 N-Channel MOSFET [Product Page]. Retrieved 2023-07-21, from https://www.mouser.com/c/semiconductors/discrete-semiconductors/transistors/?package%20%2F%20case=SOT-416-3&transistor%20polarity=N-Channel.

  6. SnapEDA. DTC143ZEBTL - Pre-Biased Bipolar Transistor (BJT) NPN - Pre-Biased 50 V 100 mA 250 MHz 150 mW Surface Mount EMT3F (SOT-416FL). Retrieved 2023-07-21, from https://www.snapeda.com/parts/DTC143ZEBTL/Rohm/view-part/.

  7. Rohm Semiconductor (2016, Jul). RB715WM: Schottky Barrier Diode [Datasheet]. Retrieved 2023-07-21, from https://fscdn.rohm.com/en/products/databook/datasheet/discrete/diode/schottky_barrier/rb715wm-e.pdf. 2 3 4 5