Skip to content

SOJ Component Package

Published On:
Apr 6, 2015
Last Updated:
Dec 13, 2024
A 3D render of the SOJ component package.

SOJ (Small-Outline J-leaded package) is a SMD component package with many J-type folded leads. It has the same general package dimensions as the standard SOIC but with J-type leads rather than Gull-wing leads. Just like SOIC, it is commonly used to house integrated circuits (ICs).

All variants of the SOJ package seem to have a 1.27 mm (0.05”) lead pitch, except for SOJ-4. 10.16mm (0.400”) is a common body width for SOJ packages. Pin counts commonly vary from 16 to 40.

As of 2024, SOJ is not a commonly used SMD package. One advantage of the SOJ package is the bending resilience of the J-type leads before it is soldered. A SOJ package could be dropped from a fair height onto a hard surface without the leads bending. Packages with gull-wing leads such as SOIC or QFP would not fare as well.

Synonyms

  • PBG32: Renesas’s name for the SOJ-32 package1.

Photos

Photo of a SOJ-28 package, a variant of the SOIC package with J-type leads.

Dimensions

According to EESemi2, the SOJ packages with 16 through 24 pins have a body width of 7.5mm and height of 2.9mm, while the SOJ packages with 28 through 40 pins have a body width of 10.16mm and height of 3.5mm. The lead pitch is 1.27mm.

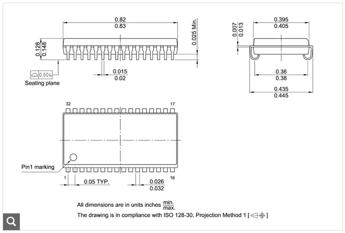
Below are the dimensions for Infineon’s SOJ-32 package3:

The dimensions of Infineon’s SOJ-32 component package3.

Below is the recommended land pattern for Infineon’s SOJ-32 package3:

The recommended land pattern for Infineon’s SOJ-32 component package3.

SOJ Sockets

You can purchase sockets for SOJ ICs so that you don’t have to solder them onto the PCB. Below is a photo of a 40pin SOJ socket listed on eBay:

A 40-pin SOJ socket from Foxconn listed on eBay by West Florida Components4.

Similar To

  • Chip Carrier: Another SMD package with J-type leads, but with leads on all four sides.
  • SOIC: Like SOJ but with Gull-wing leads. More popular than SOJ.

Footnotes

  1. Renesas. PBG32 (SOJ 32). Retrieved 2024-04-18, from https://www.renesas.com/us/en/package/pbg32.

  2. EESemi. SOJ - Small Outline J-Lead Package. Retrieved 2024-04-18, from https://eesemi.com/soj.htm.

  3. Infineon. PG-SOJ-32-801 | SOJ-32 (51-85033). Retrieved 2024-04-18, from https://www.infineon.com/cms/en/product/packages/PG-SOJ/PG-SOJ-32-801/. 2 3 4

  4. eBay. 40 Pin IC Sockets Surface Mount SOJ Foxconn PA1200-P2 (20 pieces). Retrieved 2024-04-18, from https://www.ebay.com/itm/382682187300.