Skip to content

TO-3 Component Package

Published On:
Apr 7, 2015
Last Updated:
Nov 8, 2021

The TO-3 component package is a family of large through-hole metal can packages used for things such as transistors, linear regulators and op-amps. There are 2 lead (common), 3 lead (common), 8 lead (rare), and 15 lead (very rare) variants. It is similar to the TO-23 component package.

Synonyms:

  • TO-204AA (JEDEC TO-3-2L)
  • TO-204AD (JEDEC TO-3-2L, 1.27mm thick leads)

Variants:

  • TO-204 AA (TO-3-2L with 1.0mm leads)
  • TO-204 AD
  • TO-204 AE (TO-3-2L with 1.5mm leads)
  • TO-3-2L (2 leads + case)
  • TO-3-4L (4 leads + case)

Thermal Resistance

  • TJC=0.831.4C/WT_{JC} = 0.83-1.4^{\circ}{\rm C}/W (depending on exact component)
  • TCH=0.40C/WT_{CH} = 0.40^{\circ}{\rm C}/W (using thermal grease)
  • TCH=1.00C/WT_{CH} = 1.00^{\circ}{\rm C}/W (using thermal grease with mica insulator)
  • TJA=30.0C/WT_{JA} = 30.0^{\circ}{\rm C}/W (typical socket mount)

Common Uses

  • Transistors (TO-3-2L)
  • Linear regulators (TO-3-2L)
  • Op-amps (TO-3-8L)
  • Diodes (TO-3-2L)

This package comes in many variants with a different number of leads. The 2-lead device, called the TO-3-2L is the most common. Variants exist with up to 15 leads1!

The TO-3 package has a very low junction-to-case thermal resistance (0.81.5C/W0.8-1.5^{\,\circ}{\rm C}/W). The TO-3 package is flange mount, which facilitates easy heatsinking. They are commonly screwed onto the metal enclosure of the device (you can sometimes see them on the outside of the enclosure!) for cheap and effective heatsinking.

Large heatsinks designed for the TO-3 package can have thermal resistances as low as 0.4C/W0.4^{\,\circ}{\rm C/W}. The thermal resistance between the device case and the heatsink is normally between 0.51.7C/W0.5-1.7^{\,\circ}{\rm C/W}.

TO-3-2

TO-3-2 is the variant of the TO-3 component package with 2 leads. K02A is the National Semiconductor package code for the TO-3-2 package1.

There are three sub-variants under the TO-3-2 banner2:

  • TO-204AA: Standard TO-3-2 package.
  • TO-204AD: Thicker 1.27mm leads for higher currents.
  • TO-204AE: Even thicker 1.52mm leads for higher currents.
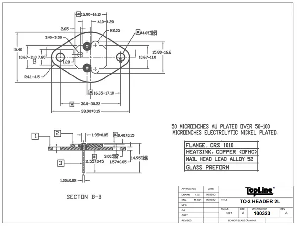
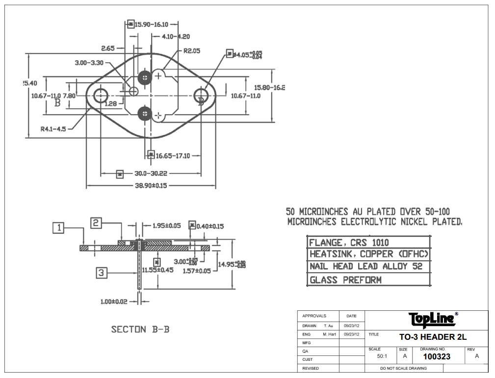
Dimensions for the TO-3-2 component package

TO-3-8

A photo of the TO-3-8 component package.
Dimensions for the TO-3-8 component package.

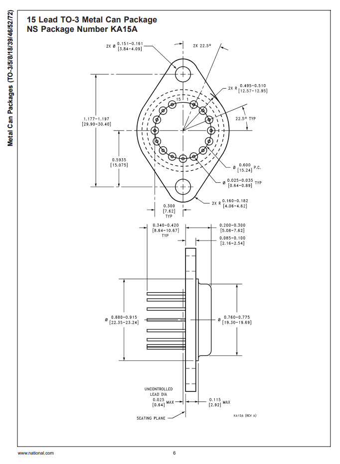
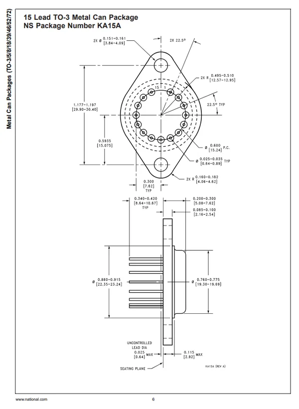
TO-3-15

A variant of the TO-3 package with a exceptionally large number of leads, 15. National Semiconductor’s package code for this variant is KA15A1.

Dimensions of the TO-3-15 (TO-3 15 lead) component package1. Image © 2011, Texas Instruments.

Footnotes

  1. Texas Instruments (2011). SNOA033: Metal Can Packages (TO-3/5/8/18/39/46/52/72). Retrieved 2021-11-08, from https://www.ti.com/lit/an/snoa033/snoa033.pdf. 2 3 4

  2. Wikipedia (2006, Dec 2). TO-3. Retrieved 2021-11-08, from https://en.wikipedia.org/wiki/TO-3.